首页
关于我们
公司介绍
企业文化
荣誉资质
产品中心
产品中心
为客户提供更具价值的高压电器应用方案
服务热线
0577-62726268
真空断路器
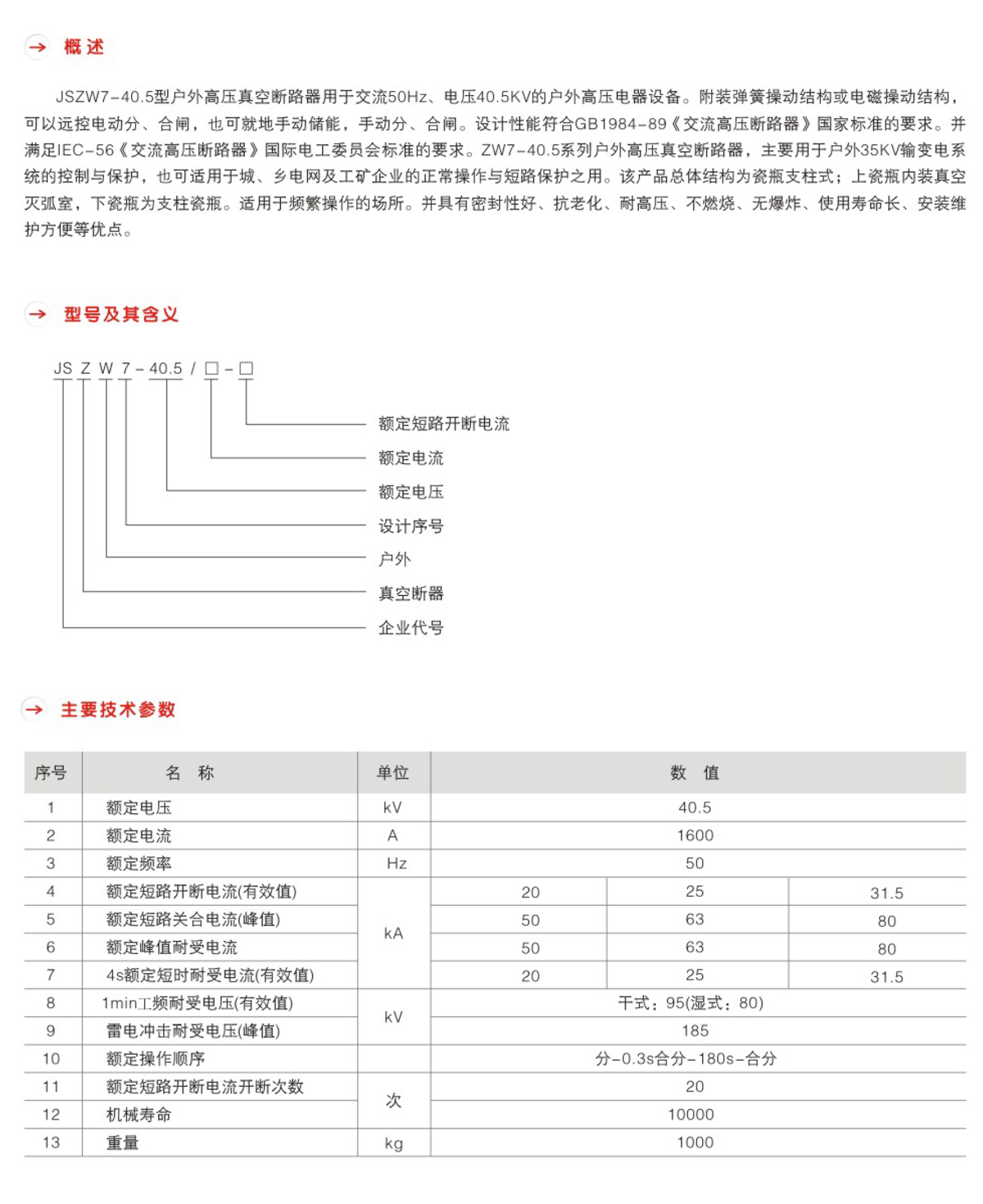
JSZW7405系列户外高压真空断路器
JSAB3S405型户外柱上永磁真空断路器
JSZW1012系列户外高压真空断路器
JSZW8(A)12系列户外高压真空断路器
JSZW3224F(G)系列户外高压智能真空断路器
JSZW3212F(G)系列智能型户外高压智能真空断路器
负荷开关
JSFZW2812F系列户外分界真空负荷开关
JSFZ(R)N2512D系列户内高压真空负荷开关
JSFK(R)N1212D系列压气负荷开关一熔断器组合电器
隔离开关
JSGNF3812户内高压隔离开关
JSGN2412D户内高压隔离开关
JSGN1912型系列户内高压隔离开关
JSGN3012系列户内旋转式高压隔离开关
接地开关
JSJN22405型户内高压接地开关
JSJN1524/315户内高压接地开关
JSJN1512/315户内高压接地开关
其他产品
JSDFWK系列电缆分接箱
JSXRNT112高压熔管
JSXRNP12kV高压熔断器
解决方案
电力输配电
商业建筑
新能源充电
轨道交通
住宅小区
新闻资讯
公司新闻
行业动态
服务支持
服务中心
联系我们
联系方式
在线留言
English
关于我们
公司介绍
企业文化
荣誉资质
产品中心
真空断路器
负荷开关
隔离开关
接地开关
其他产品
解决方案
电力输配电
商业建筑
新能源充电
轨道交通
住宅小区
新闻资讯
公司新闻
行业动态
服务支持
服务中心
联系我们
联系方式
在线留言
English
真空断路器
PRODUCTS
真空断路器
负荷开关
隔离开关
接地开关
其他产品
JSZW7405系列户外高压真空断路器
浙江吉硕电气科技有限公司是一个以工业电器为主导产品,集设计、科研、制造、销售及服务多功能于一体的科技型企业。公司主要有户内外高压真空断路器、真空负荷开关、隔离开关、接地开关、高低压配电柜等多个系列、多种规格产品的生产及开发
点我询价
详情概述
相关产品
JSZW7405系列户外高压真空断路器
JSAB3S405型户外柱上永磁真空断路器
JSZW1012系列户外高压真空断路器
电话沟通
0577-62726268
电子邮箱
394526884@qq.com
手机浏览
回到顶部